|
????????????????????????????
??? 
???? |
????(㎜) |
???? |
????(㎜) |
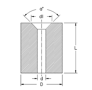
d |
D |
L |
d1 |
α° |
d |
D |
L |
d1 |
α° |
BC281330 |
2.8 |
13 |
30 |
7 |
90 |
BC643030 |
6.4 |
30 |
30 |
15 |
90
? |
BC381630 |
3.8 |
16 |
30 |
8.5 |
BC643055 |
6.4 |
30 |
55 |
15 |
BC381640 |
3.8 |
16 |
40 |
8.5 |
BC823655 |
8.2 |
36 |
55 |
18 |
BC382250 |
3.8 |
22 |
50 |
8.5 |
BC1004055 |
10.0 |
40 |
55 |
22 |
BC461630 |
4.6 |
16 |
30 |
10.5 |
BC1004555 |
10.0 |
45 |
55 |
22 |
BC462250 |
4.6 |
22 |
50 |
10.5 |
BC1386060 |
13.8 |
60 |
60 |
29 |
|