Ferramentas para madeira

Reversible Knives
mm
| Type | L | B | H | d | α | c | n |
| 1212/1.5 | 12.6 | 12.6 | 2.0 | 4.0 | 1 | ||
| 1414/1.2 | 14.9 | 14.9 | 2.0 | 8.35 | 1 | ||
| 1414/2.0 | 14.7 | 14.7 | 2.5 | 6.3 | 1 | ||
| 1515/2.5 | 15.7 | 15.7 | 3.0 | 6.2 | 1 | ||
| 2012 | 20.4 | 12.6 | 2.0 | 4.0 | 1 | ||
| 3012 | 30.5 | 12.6 | 2.0 | 4.0 | 8.2 | 14 | 2 |
| 4012 | 40.5 | 12.6 | 2.0 | 4.0 | 5.2 | 26 | 2 |
| 5012 | 50.4 | 12.6 | 2.2 | 4.0 | 12.2 | 26 | 2 (Off-Punch) |
| 6012 | 60.6 | 12.6 | 2.2 | 4.0 | 17.3 | 26 | 2 (4) |
| 82.5x6.5x1.75 | 82.5 | 6.5 | 1.75 | Straight Groove | |||
| 83x6x1.75 | 83 | 6.0 | 1.75 | ||||
| 82.5x7x1.75 | 82.5 | 7.0 | 1.75 |

The above are blanks.
mm
| Type | L | B | H | d |
| 1212 | 12 | 12 | 1.5 | 4 |

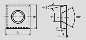
mm
| Type | L | B | H | d | f |
| 1414/1.2 | 14 | 14 | 1.2 | 8.3 | 0.6 |
| 1414/2 | 14 | 14 | 2 | 6.3 | 0.2 |
| 1415/1.5 | 13.4 | 13.4 | 1.5 | 6.5 | 0.2 |
| 1515/2.5 | 15 | 15 | 2.5 | 6.3 | 0.4 |

mm
| Type | L | B | H | d | α (°) | c | n | Remark |
| 2012 | 20 | 12 | 1.5 | 4.0 | 35 | — | 1 | — |
| 3012 | 30 | 12 | 1.5 | 4.0 | 35 | 14 | 2 | — |
| 4012 | 40 | 12 | 1.5 | 4.0 | 35 | 26 | 2 | — |
| 5012 | 50 | 12 | 1.5 | 4.0 | 35 | 26 | 2 (4) | Flat Hole |
| 6012 | 60 | 12 | 1.5 | 4.0 | 35 | 26 | 2 (4) | — |
?
mm
| Type | L | B | H | h | b | α (°) |
| 83x6x1.75 | 82 | 5.5 | 1.2 | 0.45 | 1.6 | 35 |

mm
| Type | L | B | H | L1 | L2 | h | b | b1 | α (°) |
| 82 | 82 | 5.5 | 1.1 | 70 | 48 | 0.5 | 1.5 | 1.8 | 40 |

The above are finished products.




sales@chinatungsten.com