Your Position: Home Page >> Tungsten Carbide >> Tungsten Carbide Dies >> Tungsten carbide Punching Dies
BC Heading Die
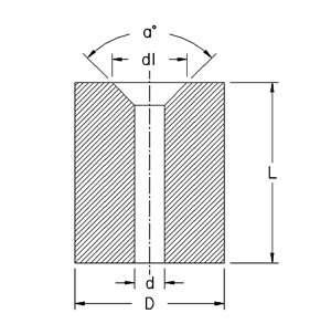
Name:BC Heading Die
Usage:For making sinking head of nut

Heading Die blanks with sink
| Type | Dimension(㎜) | Type | Dimension(㎜) | ||||||||
| d | D | L | d1 | α° | d | D | L | d1 | α° | ||
| BC281330 | 2.8 | 13 | 30 | 7 | 90 | BC643030 | 6.4 | 30 | 30 | 15 | 90 |
| BC381630 | 3.8 | 16 | 30 | 8.5 | BC643055 | 6.4 | 30 | 55 | 15 | ||
| BC381640 | 3.8 | 16 | 40 | 8.5 | BC823655 | 8.2 | 36 | 55 | 18 | ||
| BC382250 | 3.8 | 22 | 50 | 8.5 | BC1004055 | 10.0 | 40 | 55 | 22 | ||
| BC461630 | 4.6 | 16 | 30 | 10.5 | BC1004555 | 10.0 | 45 | 55 | 22 | ||
| BC462250 | 4.6 | 22 | 50 | 10.5 | BC1386060 | 13.8 | 60 | 60 | 29 | ||




sales@chinatungsten.com