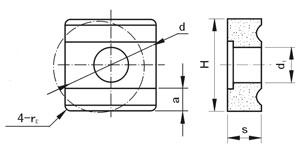
Mecánicamente Sujetos al Suelo Inserta-Tipo 4H
![]() |
![]() |
?
Tipo |
Dimensión(mm) |
Aprox Unidad de Peso(g) |
||||||||
d |
s |
r |
a≈ |
d1 |
H |
YG6 |
YG8 |
YT5 |
YT14 |
|
41002H |
10.0 |
3.5 |
0.2 |
2.4 |
4.2 |
10.0 |
4.3 |
4.2 |
3.7 |
3.3 |
41305H |
13.0 |
4.5 |
0.5 |
3.4 |
5.2 |
13.0 |
9.0 |
8.8 |
8.0 |
7.1 |
41605H |
16.0 |
5.5 |
0.5 |
4.4 |
6.2 |
16.0 |
17.8 |
17.5 |
15.3 |
13.6 |
41610H |
16.0 |
5.5 |
1.0 |
4.4 |
6.2 |
16.0 |
17.1 |
16.8 |
15.1 |
13.4 |
41910H |
19.0 |
6.5 |
1.0 |
5.4 |
7.2 |
19.0 |
19.1 |
28.8 |
25.6 |
22.8 |
42510H |
25.0 |
9.0 |
1.0 |
10.0 |
9.0 |
25.0 |
? | |||






sales@chinatungsten.com